Email:johnny@jazzyindustrial.com
Mob: +8613957800923
Rm. (5-2), Bldg. 045, No. 163, Ruiqing Road, Yinzhou Dist., Ningbo, Zhejiang, China
JAZZY
| Availability: | |
|---|---|
| Quantity: | |
The JAZZY family of dependable high pressure ball valves provides full, unrestricted flow and positive shut-off of fluids and gases under exterme service consitions. Models are available to accommo date system pressures up to 7250psi. Since a variety of materials are available, JAZZY Valves can be used a varrious fluids and gases including petroleum based oil and some water glycols.
————Standard Ball Valve Design Feature & Options————
![]() 2-way Ball Valves KHB Series (see pages 5-11) Block Bodies Size: 1/4” - 1” | ![]() 2-way Ball Valves KHM Series (see pages 5-12) Forged Bodies Size: 1-1/4” - 2” | ![]() 2-way Manifold Mounted Ball Valves KHP Series (see pages 15) Size: 3/8” - 2” |
![]() 3-way Diverter Ball Valves KHB3K Series (see pages 13) Size: 1/4” - 1” | ![]() Direct Mount SAE Flange KHF3/6 Series (see pages 25) Size: 1/2” - 2” | ![]() Direct Mount SAE Flange KHF3 Series (see pages 26) Size: 2-1/2 - 4” | ![]() Multiway Ball Valves KH3 & KH4 Series (see pages 17) Size: 1/4” - 3/4” |
___Valve Design___
The design of JAZZY ball valves is based on the“floating ball”principle which allows the ball to turn freely between the ball seales. A positive seal is attained by fluid pressure acting on the upstream surface of the ball and producing a constant uniform contact between the downstream ball seal and the ball. The ball is operated by a sealed spindle with a projesting square end to which the control handle or optional actuator is attached. Ball valves are intended to be used as on/off flow control devices and are not to be used to throttle fluid flow. The Valves should always be either fully open or closed.
___Available Options___
JAZZY can furnish ball valves with special options including:
Locking Devices
Stainless Steel Valve Bodies
Pneumatic or Electrical Actuators
Limit Switch
Off-set or Straight Control Handles
Custom Solutions - Contact JAZZY
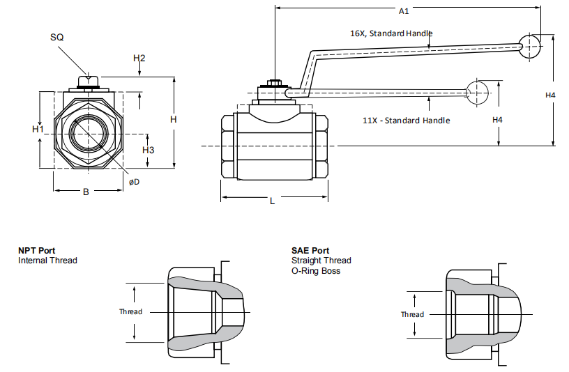
___Ball Valve Demensions___
————KHB & KHM Series————
2-way Ball Valves with SAE & NPT Connections
1/4” -2” Full Port Design
NPT or SAE O-Ring Connections
Polyacetal Ball Seals (standard)
FPM (Fluoroelastomer) O-Rings (standard)
Carbon Steel Housing
Block Housing - Sizes 06-25
Forged Housing - Sizes 32-50
Operating Pressure to 7250 psi depending on valve size and seal materials selected.
Temp Range: 14F to 176F with standard materials (1114) up to max. Pressure rating. Extended Temperature range -40F to 392F on request with special materials and reduced pressure
___Quality Control___
![]() | ![]() | ![]() |
___Valve Packaging___
![]() | ![]() | ![]() |
___Product Display___
![]() | ![]() | ![]() |
![]() | ![]() | ![]() |
The JAZZY family of dependable high pressure ball valves provides full, unrestricted flow and positive shut-off of fluids and gases under exterme service consitions. Models are available to accommo date system pressures up to 7250psi. Since a variety of materials are available, JAZZY Valves can be used a varrious fluids and gases including petroleum based oil and some water glycols.
————Standard Ball Valve Design Feature & Options————
![]() 2-way Ball Valves KHB Series (see pages 5-11) Block Bodies Size: 1/4” - 1” | ![]() 2-way Ball Valves KHM Series (see pages 5-12) Forged Bodies Size: 1-1/4” - 2” | ![]() 2-way Manifold Mounted Ball Valves KHP Series (see pages 15) Size: 3/8” - 2” |
![]() 3-way Diverter Ball Valves KHB3K Series (see pages 13) Size: 1/4” - 1” | ![]() Direct Mount SAE Flange KHF3/6 Series (see pages 25) Size: 1/2” - 2” | ![]() Direct Mount SAE Flange KHF3 Series (see pages 26) Size: 2-1/2 - 4” | ![]() Multiway Ball Valves KH3 & KH4 Series (see pages 17) Size: 1/4” - 3/4” |
___Valve Design___
The design of JAZZY ball valves is based on the“floating ball”principle which allows the ball to turn freely between the ball seales. A positive seal is attained by fluid pressure acting on the upstream surface of the ball and producing a constant uniform contact between the downstream ball seal and the ball. The ball is operated by a sealed spindle with a projesting square end to which the control handle or optional actuator is attached. Ball valves are intended to be used as on/off flow control devices and are not to be used to throttle fluid flow. The Valves should always be either fully open or closed.
___Available Options___
JAZZY can furnish ball valves with special options including:
Locking Devices
Stainless Steel Valve Bodies
Pneumatic or Electrical Actuators
Limit Switch
Off-set or Straight Control Handles
Custom Solutions - Contact JAZZY
___Ball Valve Demensions___
————KHB & KHM Series————
2-way Ball Valves with SAE & NPT Connections
1/4” -2” Full Port Design
NPT or SAE O-Ring Connections
Polyacetal Ball Seals (standard)
FPM (Fluoroelastomer) O-Rings (standard)
Carbon Steel Housing
Block Housing - Sizes 06-25
Forged Housing - Sizes 32-50
Operating Pressure to 7250 psi depending on valve size and seal materials selected.
Temp Range: 14F to 176F with standard materials (1114) up to max. Pressure rating. Extended Temperature range -40F to 392F on request with special materials and reduced pressure
___Quality Control___
![]() | ![]() | ![]() |
___Valve Packaging___
![]() | ![]() | ![]() |
___Product Display___
![]() | ![]() | ![]() |
![]() | ![]() | ![]() |
JAZZY was founded in 2005 as a company specialized in the designing and manufacturing of superior high-quality Hydraulic Transmission System and Pneumatic Transmission System. Based on high performance pneumatic hydraulic transmission non standard machine equipment R&D design and development to provide a variety of industry solutions.
![]() | ![]() |
PROFESSIONAL We have more than 7 years of industry experience and a very professional team to provide production, research and development, sales support and other services. | PRODUCT QUALITY Our product quality has passed the testing of various certification systems (here are some certifications), and we use the highest standards in the selection of product materials, and have very advanced production equipment in the product production dimension. Each product is sold to the market after rigorous testing. |
![]() | ![]() |
SAFETY Our products have passed strict safety certification, and every user who uses our products can use them with confidence. | DIRECT SALES We have our own production base, so no other company is responsible for the production and sales of our products, so that we can provide customers with the best products and best services. |
___________END USERS____________
The hydraulic transmission system occupies a very important position in the CNC machine tool. The performance of the CNC machine tool hydraulic system directly affects the quality of the workpiece, resulting in a decline in the processing capability index of the CNC machine tool. For example, the automatic control failure working mechanism produces intermittent movement, which increases the scrap rate of the workpiece, the accuracy of the product is poor or the quality is unstable, and the clamping force decreases, which causes tool damage and product scrap.
JAZZY took the initiative to send the products for inspection and spot checks. Each time our test results exceed international standards. Except for production and inspection, packaging is only carried out after passing the inspection. Final confirmation is also required before shipment.
JAZZY was founded in 2005 as a company specialized in the designing and manufacturing of superior high-quality Hydraulic Transmission System and Pneumatic Transmission System. Based on high performance pneumatic hydraulic transmission non standard machine equipment R&D design and development to provide a variety of industry solutions.
![]() | ![]() |
PROFESSIONAL We have more than 7 years of industry experience and a very professional team to provide production, research and development, sales support and other services. | PRODUCT QUALITY Our product quality has passed the testing of various certification systems (here are some certifications), and we use the highest standards in the selection of product materials, and have very advanced production equipment in the product production dimension. Each product is sold to the market after rigorous testing. |
![]() | ![]() |
SAFETY Our products have passed strict safety certification, and every user who uses our products can use them with confidence. | DIRECT SALES We have our own production base, so no other company is responsible for the production and sales of our products, so that we can provide customers with the best products and best services. |
___________END USERS____________
The hydraulic transmission system occupies a very important position in the CNC machine tool. The performance of the CNC machine tool hydraulic system directly affects the quality of the workpiece, resulting in a decline in the processing capability index of the CNC machine tool. For example, the automatic control failure working mechanism produces intermittent movement, which increases the scrap rate of the workpiece, the accuracy of the product is poor or the quality is unstable, and the clamping force decreases, which causes tool damage and product scrap.
JAZZY took the initiative to send the products for inspection and spot checks. Each time our test results exceed international standards. Except for production and inspection, packaging is only carried out after passing the inspection. Final confirmation is also required before shipment.
©️ Ningbo Jazzy Industrial Co., Ltd.