NEWS
You are here: Home » News » Encyclopedia » What is multi-function valve sealing test device?

What is multi-function valve sealing test device?

Views: 291     Author: Site Editor     Publish Time: 2021-05-05      Origin: Site

facebook sharing button
twitter sharing button
line sharing button
wechat sharing button
linkedin sharing button
pinterest sharing button
whatsapp sharing button
sharethis sharing button
What is multi-function valve sealing test device?

1 overview

Multifunctional valve sealing performance test device is an integrated test system which provides hydraulic or pneumatic sealing performance test and safety valve testing for a system valve of a device.

 

 

42.valve


2、Design of valve sealing test device

 

2.1 Composition and function of the test device

 

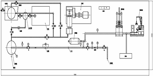
The multi-function valve sealing performance test device is composed of three modules: the loop pressure supply system, the quick clamping system and the test monitoring system, including pressure loop construction, mechanical transmission, hydraulic transmission, electrical automatic control, etc. It has complete functions, easy and flexible operation, stable and reliable performance, high degree of automation to meet the valve testing requirements of a device system. The plane layout of the valve test device is shown in Figure 1.

 

According to different types of valve test requirements, the valve test device has a variety of functionsquickly install the clamping test valve, carry out water pressure sealing test, air pressure sealing test (according to the test program), test pressure range and valve size range to meet the requirements of the corresponding test outline, etc.


Figure 1 System valve sealing performance test device

 

2.2 Structural Design

 

The multi-function valve sealing performance test unit is designed as a movable bench, which can realize the whole hoisting and long-distance transportation. The main body of the frame is designed with rectangular steel structure. The ground of the frame is laid with stainless steel pattern plate. Water supply and drainage facilities, all power distribution, control cables and signal cables are set under the platform ground.

 

2. 3 System design

 

The multi-function valve sealing performance test device is composed of three modules, the loop pressure supply system, the quick clamping system and the test monitoring system.

 

2.3.1 loop pressure supply system

 

The circuit pressure supply system is mainly composed of main accumulator, auxiliary accumulator, air compressor, variable frequency supplementary pump, Class A water storage box, valve, measuring instrument and pipeline, etc.

 

This system is an automatic monitoring system that equipped with electric throttle valve (with signal feedback), level gauge, pressure transmitter, differential pressure transmitter and temperature transmitter, and all signals are collected and processed by computer.

 

2.3.2 quick clamping system

 

The quick clamping system is composed of motor, hydraulic oil pump, hydraulic cylinder, hydraulic components and blind plate of pressure test. Quick clamping system sets two quick clamping worktables, hydraulic screw type worktable and lifting table.

 

(1) hydraulic screw table

 

Screw workbench is mainly composed of frame, plate work, left tight oil cylinder, block, blind flange, hydraulic system, electrical system, etc. The screw table top force of hydraulic cylinder needed is formed by the pressurization of hydraulic system of the device itself.

 

The hydraulic system of the test device is equipped with automatic pressure relief device, which greatly reduces oil temperature and energy consumption, and effectively prolongs the service life of oil pump, motor and hydraulic components.

 

(2) Lifting table

 

One end of the lifting table is provided with a lifting arm pressure claw holding mechanism with a lifting arm bearing weight greater than 300kg.The other end is on the work table. The press claw holding mechanism on the work table can turn over automatically with the maximum turning Angle of 90° in order to facilitate the unilateral sealing test valve leakage detection and Angle valve (valve inlet and outlet into 90°) test requirements.

 

42.System valve sealing performance test device

2.3.3 Test monitoring system

 

The test monitoring system includes the pressure supply monitoring system module, servo control module and test detection module.

 

(1) The pressure supply monitoring system collects and records signals such as pressure and water level in the loop. It has a good man-machine interface, which can display the status of the pressure supply monitoring system and record the stored data in real time.

 

(2) The servo control module can automatically control the hydraulic jacking force required by the project and the pressure of test medium, as well as the total hydraulic force.

 

(3) Test and detection module

 

The test module can log in, record and print the test valve's name, model and specification, pressure holding time and other parameters, select to carry out "water pressure seal test", "air pressure seal test", "safety valve performance test" and other items according to the valve test outline and relevant inspection standards.

 

 

3、Epilogue

 

The multi-function valve sealing performance test device can meet different requirements by reducing the workload of the test personnel, achieving a higher level of automation and management and so on.

 

JAZZY is contributed to providing good quality hydraulic ball valve, hydraulic rubber hose, pressure gauge, and brass fitting, etc. If you are interested in hydraulic cylinder or hydraulic system, you are welcome to contact us.